产品动态
- 群创12.1寸 G121ICE-LM2 对比度1000:1 常
- G270QAN01.4 友达27寸 400 cd/m2 分辨率2
- G190ETT01.1 友达19寸 分辨率1280*1024
- 18.5寸G185HAT01.1 友达 对比度1000:1 分
- 友达G101EAT02.6 10.1寸 分辨率1280*800
- G156HAN02.303 友达15.6寸 对比度1000:1
- G057QAN01.1 友达5.7寸 常黑显示 1000:1
- G238HAN04.0 友达23.8寸 常黑显示 分辨
- 友达8.4寸 G084SAN01.0 常黑显示 分辨
- G057QAN01.0 友达 5.7寸 500 cd/m2 常黑
全国统一服务热线:
15382323032
客服QQ:3234659108
手机:15382323032
地址:浙江省杭州市余杭区五常街道西溪软件园金牛座B2座4层4118-4119
多功能电力仪表LCD??檠⌒?
文章出处:原创 人气:发表时间:2022-07-11
多功能电力仪表LCD模块选型方案:
多功能电力仪表上(网络电力仪表或者智能电力仪表)所使用的液晶屏,已经是由传统的CCFL显示向LCD显示飞速的发展,杭州精显科技根据国家电网公司对于电力产品的最新试验标准,结合了多年来液晶??榈纳椋⒊隽硕嗫羁捎糜诙喙δ艿缌σ潜硪壕?榈?a href='http://m.tjjxgcjs.cn' target='_blank'>液晶屏,为仪表的生产厂家解决了液晶??槎ㄖ?、开模等烦恼,在满足性能以及参数的同时,也大大的降低了其产品的生产成本,为技术开发提供了更有力的保证,下面我们将会逐一品种介绍:1、断码屏254S:主要是用于96*48的单相表上,可以实现交流的电流表、电压表,直流电流表、电压表,交流有功表、无功表,交流频率表、功率表等等。
产品的特点:
满足各种单相表功能参数的显示要求,不需要开模,产品的库存比较稳定,性价比也高,254S液晶屏的SEG是32路、COM的是4路,不需要再配置液晶屏独立控制IC,普通的MCU就可以带动了,其编程的难度也较低,是电力单项仪表的首选之一了。

【详细参数咨询官网客服】
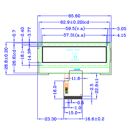
2、点阵屏12232K1G:主要是用在96*48的单相表,可以实现交流电流表、电压表,直流电流表、电压表,交流有功表、无功表,交流频率表、功率表,交流有功无功功率因数组合表及导轨表等等。
产品的特点:
可以满足各类单相表以及导轨表功能参数的中英文显示要求,不需要开模,产品的库存比较稳定,性价比高,12232K1G是点阵液晶屏,是针对于96*48与导轨表专门设计的一款液晶屏,显示内容可以任意的编排,其扩展性非常强,产品的档次也高,可以显示出中文汉字、图标等等,该屏是采用了??樽源酒?,编程也方便,对于MCU的资源占用较低,控制速度快,也不会影响到仪表其他功能的正常运行,采用了FPC的连接方式,极大的降低了生产的成本以及焊接中的虚焊不良率。仪表选用点阵屏是未来的一种大趋势,在未来的智能电网建设之中,会遇到越来越多的定制产品,这时点阵屏的随意编排显示内容的优点就能完全的体现出来了。

【详细参数请咨询官网客服】
3、断码屏252S:主要是用于96*96与80*80的三相表,可以实现三相交流电流表,三相交流电压表,三相交流电流电压组合表,三相交流电流电压功率组合表等等。
产品的特点:
能够满足各类三相电表功能参数的显示要求,不需要开模,产品的库存比较稳定,性价比高,252S液晶屏的SEG是32路、COM为4路的一种设计,不需要配置液晶屏独立的控制IC,普通的MCU就可以带动了,编程的难度也低,是电力三相电表的首选之一了。

【详细参数请咨询官网客服】
上一篇:充电桩上使用的液晶屏 下一篇:阳光下可视液晶屏邦定解决方案-阳光下可视液晶屏选型
最新资讯
- 2026-02-10 15.6寸LCD工业液晶屏1000高亮度屏功
- 2026-02-06 LCD10.1寸工业液晶屏常见问题:分
- 2026-02-05 精显科技2026年春节假期安排通知
- 2026-02-05 8寸工控LCD液晶屏尺寸一样但孔位
- 2026-02-04 TFT-LCD工业液晶屏型号后缀怎么看
- 2026-02-03 京瓷TCG057VGLGC-G50-S带触摸一体液晶
- 2026-02-02 LCD液晶屏触摸屏盖板玻璃如何???
- 2026-01-30 LCD工业液晶屏G104系列怎么???G104S
- 2026-01-29 LCD工业液晶屏显示器花屏/闪屏/白
- 2026-01-28 15.6寸LCD工业液晶屏:常见接口是eD








